| • Ready to use, easy assembly, easy adjustability, |
| • Suitable material on operating conditions., |
| • Cast aluminum case, robust, |
| • PTFE and AISI 316 SS diaphragm, |
| • OEM production opportunities. |
| |
| |
| |
| |
| |
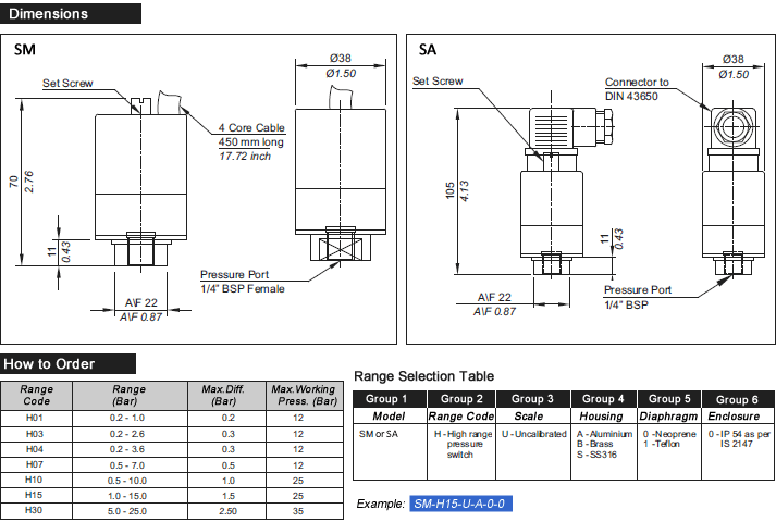
| Range |
0.1 Bar to 25 bar |
| Measurement element |
Diaphragm; Neoprene, Teflon, Reinforced plastic, AISI 316 SS |
| Switch |
SPDT Snap action switch, Max. 5 A / 250 VAC, 0.2 A, 250VDC |
| Differential type |
Fix |
| Protection class |
IP54 |
| Body |
Cast aluminum |
| Max.Temperature |
80 oC |
| Cable input |
Socket |
| Repeatability |
2% of F.S. |
| Pressure connection |
1/4" BSP thread |
| Pressure connection material |
Aluminum, Brass and AISI 316 SS |
| Mounting |
Direct, inside area |
|
|
| ORDER CODE |
 |
This chapter is for our members use only.
If you are a member click here, If you are not a member, to register for click here