| • Available adjustment scale, |
| • Easy adjustment, |
| • Differential can be adjusted easily with a screwdriver, |
| • Lightweight, 150 gr, |
| • 10.000.000 switching lifetime, |
| • Low range (2 mmSS) pressure, |
| • That the possibility of rotation angle 120o of cable input, |
| • OEM production opportunities. |
| |
| |
| |
| |
| |
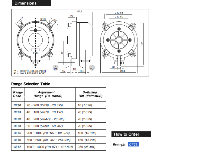
| Range |
2 mmSS to 407 mmSS |
| Switch tip |
OEM (Ultra-Low range) |
| Switch |
Max. 1.0 A (.4 A) / 250 VAC |
| Differential type |
Adjustable |
| Protection class |
IP54 |
| Body |
Polyamid (PA) |
| Max.Temperature |
80 oC |
| Cable input |
PG11 |
| Electrical connection |
AMP plug 6.3 mm.x0.8 mm. (DIN 462224) |
| High pressure connection |
6 mm. |
| Low pressure connection |
6 mm. |
| Mounting |
Panel or direct |
|
|
| ORDER CODE |
 |
This chapter is for our members use only.
If you are a member click here, If you are not a member, to register for click here